最新动态
- 01yb-25/6.3型单级叶片泵,yb1-100叶片泵,yb1-63叶片泵,yb1-80叶片泵,yb1叶片泵参数说明
- 02油研sqp油泵,YUKEN油研svpf叶片泵,日本油研伺服阀
- 03日本油研电磁阀dsg-01-3c2-d24-n1-50,dsg-01-3c3-d24-n1-50参数说明
- 04派克双联齿轮泵pgp517b05,力士乐rexroth齿轮泵,东京计器p100v柱塞泵
- 05dshg-06-2-a220-20油研电磁阀,力士乐柱塞泵a10vso100dr/31r-ppa12n00
- 06派克pgp517b052双联齿轮泵,力士乐变量柱塞泵a10vso28dfr1/31r-vpa12n00
- 07YUKEN油研电磁阀dsg-01-3c3-d24-n1-50价格,型号说明
- 08挖机液压泵维修,卡特挖机液压泵的维修步骤
- 09REXROTH力士乐AZPF,AZPB,AZPN系列齿轮泵性能参数及特征

行业新闻
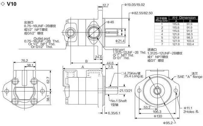
伊顿威格士液压叶片泵V10-1P7P-38C20L使用说明书
发布时间:2024-09-11 15:01:41 最后更新:2024-09-11 15:17:56 浏览次数:391
一、产品概述
伊顿威格士液压叶片泵V10-1P7P-38C20L是一款高性能、高可靠性的液压动力元件,专为工业液压系统中的压力传输和流量控制而设计。该泵采用先进的叶片泵技术,结合精密的制造工艺,确保了在高压力、高转速及恶劣工况下的稳定运行。V10系列以其卓越的性能、紧凑的结构和易于维护的特点,广泛应用于工程机械、机床、冶金、船舶、石油化工等多个领域。二、产品规格
型号:V10-1P7P-38C20L
类型:液压叶片泵
排量:根据具体型号而定,通常适用于中等到大量流量需求
最大工作压力:根据具体配置,可达较高压力范围(具体数值请参考产品手册)
转速范围:适合多种转速条件,建议参考产品技术参数表
介质:液压油(需符合规定的粘度、清洁度等要求)
结构特点:内置压力调节装置(如适用)、耐磨损叶片及轴承设计
三、安装与调试
安装前准备:
确保液压系统已彻底清洁,无杂质和残留物。
检查泵的安装基础是否平整、稳固,符合安装要求。
准备必要的安装工具和附件。
安装步骤:
按照产品图纸或说明书中的安装指导,正确安装泵体、驱动装置及连接管路。
确保所有连接紧固可靠,无泄漏风险。
接入电源或动力源前,再次检查电气连接及安全装置。
调试与试运行:
在无负载状态下启动泵,检查其运转是否平稳,有无异常噪音或振动。
逐步加载至额定工作压力,观察泵的性能表现,记录相关参数。
调整压力、流量等设置,确保系统满足设计要求。
四、操作与维护
操作注意事项:
定期检查油位,保持液压油在规定范围内。
避免泵在空载或超负荷状态下长时间运行。
定期检查油温,防止过热导致性能下降或损坏。
维护保养:
定期更换液压油,保持油品清洁度。
定期检查泵的密封件、轴承等易损件,及时更换磨损件。
清洁泵体外部,保持散热良好。
定期检查电气系统,确保接线牢固,无短路、断路现象。
五、故障排除
若在使用过程中出现泵体发热、噪音增大、压力不稳等异常情况,应立即停机检查。常见故障可能包括油液污染、密封件失效、轴承磨损等。根据具体情况采取相应的维修措施,必要时可联系伊顿威格士授权服务商进行专业维修。
六、安全警示
在进行安装、调试、维护及故障排除时,务必切断电源或动力源,确保安全。
液压油具有易燃性,操作时应注意防火。
遵守相关安全操作规程,佩戴必要的个人防护装备。
七、联系我们
如对产品有任何疑问或需要伟德网址 ,请随时联系伊顿威格士客户服务热线或访问官方网站,我们将竭诚为您服务。
本使用说明书旨在为用户提供伊顿威格士液压叶片泵V10-1P7P-38C20L的基本信息、安装指导、操作与维护方法以及故障排除建议。请用户在使用前仔细阅读,并严格按照说明书进行操作和维护,以确保泵的性能和安全运行。
相关新闻
选择柱塞泵?请认准美国派克pv016柱塞泵!
2025-01-13 14:01:42
派克柱塞泵型号PV016,PV020,PV080,PV032,PV046,PV092,PV0140,PV180,PV270 ,等系列型号 美国派克PV016柱塞泵是一款高性能的柱塞泵,以下是对其的详细介绍...
丹尼逊叶片泵型号规格大全,DENISON叶片泵样本
2025-01-06 14:52:14
丹尼逊(DENISON)叶片泵拥有多种型号规格,以下是其主要系列及部分型号的详细介绍,同时也提供了一个简化的DENISON叶片泵样本概览: 一、丹尼逊叶片泵主要系列 T6系列叶片泵 T6C单联泵:排量范围从003(约...
A2F10,A2F12,A2F63,A2F125,A2F107,A2F225力士乐柱塞泵,A2F系列油泵
2025-02-07 09:56:06
Rexroth 力士乐A2F系列描述: 固定位移的弯轴设计 与原装完全互换 用作静液压驱动器中的泵或电机,在开闭回路中使用 高性能旋转组,具有久经考验的球形控制区域,具有以下优势;自定心低圆周速度,高效率 尺寸: ...
![【bv1946官方网站下载地址
】液压元件[液压油泵,电磁阀]一站式服务平台](upload/20210127173032768281.png)




