最新动态
- 01派克pgp517b052双联齿轮泵,力士乐变量柱塞泵a10vso28dfr1/31r-vpa12n00
- 02YUKEN油研电磁阀dsg-01-3c3-d24-n1-50价格,型号说明
- 03挖机液压泵维修,卡特挖机液压泵的维修步骤
- 04REXROTH力士乐AZPF,AZPB,AZPN系列齿轮泵性能参数及特征
- 05PARKER派克轴向柱塞泵PV028R1K1T1N-MMC价格,性能参数及使用说明
- 06日本东京计器柱塞泵P16V,P21V,P100V,P70V系列型号大全,性能参数
- 07台湾油昇yeoshe柱塞泵型号大全,特征及应用
- 08VIVOIL齿轮泵,VIVOIL液压齿轮泵/马达型号大全,特征及应用说明
- 09A3H泵有哪些型号? YUKEN油研A3H系列高压变量柱塞泵有哪些优势

公司新闻
油研液压泵A145-LR01HS-60, yuken变量柱塞泵A145系列
发布时间:2023-06-06 14:54:55 最后更新:2024-11-28 14:27:29 浏览次数:1150
“A”系列YUKEN油研变量柱塞泵
规格:A10 A16 A22 A37 A56 A70 A90 A145 A220
油研“A”系列变量柱塞泵——单泵、压力补偿器型 “A”系列变量柱塞泵——单泵、电磁阀双压力控制型 “A”系列变量柱塞泵——单泵、带卸载型压力补偿器A" 系列变量柱塞泵 – 单泵,比例电液负载传感型 “A” 系列变量柱塞泵 – 单泵,电液比例压力和流量控制 “A” 系列变量柱塞泵 – 单泵, “OBE” 型电液比例压力和流量控制型 “A” 系列变量柱塞泵 – 单泵,先导压力控制型压力补偿器 “A"系列变量柱塞泵-单泵、恒功率控制型在压力16MPa(2320PSI)、转速1800r/min条件下,容积效率达98%以上,总效率达90%以上。在“A16”泵,噪音水平低至 57.3 dB(A) [在完全切断压力 21 MPa (3050 PSI) 和速度 1500 r/min 水平距离泵头一米(3.3 英尺)覆盖。) 水平远离泵头盖。) 水平远离泵头盖。
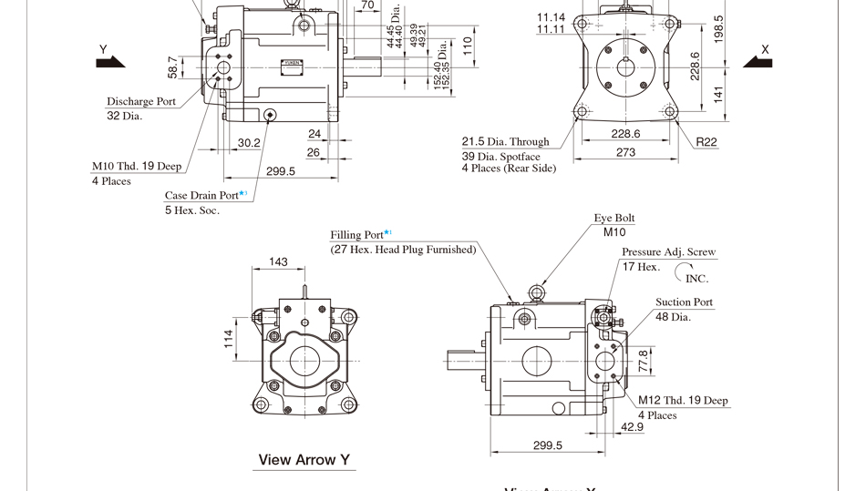
A145系列油研柱塞泵尺寸:

YUKEN油研A145系列柱塞泵型号:
规格:A10 A16 A22 A37 A56 A70 A90 A145 A220
油研“A”系列变量柱塞泵——单泵、压力补偿器型 “A”系列变量柱塞泵——单泵、电磁阀双压力控制型 “A”系列变量柱塞泵——单泵、带卸载型压力补偿器A" 系列变量柱塞泵 – 单泵,比例电液负载传感型 “A” 系列变量柱塞泵 – 单泵,电液比例压力和流量控制 “A” 系列变量柱塞泵 – 单泵, “OBE” 型电液比例压力和流量控制型 “A” 系列变量柱塞泵 – 单泵,先导压力控制型压力补偿器 “A"系列变量柱塞泵-单泵、恒功率控制型在压力16MPa(2320PSI)、转速1800r/min条件下,容积效率达98%以上,总效率达90%以上。在“A16”泵,噪音水平低至 57.3 dB(A) [在完全切断压力 21 MPa (3050 PSI) 和速度 1500 r/min 水平距离泵头一米(3.3 英尺)覆盖。) 水平远离泵头盖。) 水平远离泵头盖。
A145系列油研柱塞泵尺寸:

YUKEN油研A145系列柱塞泵型号:
| 油研柱塞泵A145-F-L-01-B-S-K-32 油研柱塞泵A145-F-L-01-C-S-K-32 油研柱塞泵A145-F-L-01-H-S-K-32 油研柱塞泵A145-F-L-01-K-S-K-32 油研柱塞泵A145-F-L-04-B-S-K-32 油研柱塞泵A145-F-L-04-C-S-K-32 油研柱塞泵A145-F-L-04-H-S-K-32 油研柱塞泵A145-F-L-04-K-S-K-32 油研柱塞泵A145-F-R-01-B-S-K-32 油研柱塞泵A145-F-R-01-C-S-K-32 油研柱塞泵A145-F-R-01-H-S-K-32 | 油研柱塞泵A145-F-R-01-K-S-K-32 油研柱塞泵A145-F-R-04-B-S-K-32 油研柱塞泵A145-F-R-04-C-S-K-32 油研柱塞泵A145-F-R-04-H-S-K-32 油研柱塞泵A145-F-R-04-K-S-K-32 油研柱塞泵A145-L-L-01-B-S-K-32 油研柱塞泵A145-L-L-01-C-S-K-32 油研柱塞泵A145-L-L-01-H-S-K-32 油研柱塞泵A145-L-L-01-K-S-K-32 油研柱塞泵A145-L-L-04-B-S-K-32 油研柱塞泵A145-L-L-04-C-S-K-32 | YUKEN柱塞泵A145-L-L-04-H-S-K-32 YUKEN柱塞泵A145-L-L-04-K-S-K-32 YUKEN柱塞泵A145-L-R-01-B-S-K-32 YUKEN柱塞泵A145-L-R-01-C-S-K-32 YUKEN柱塞泵A145-L-R-01-H-S-K-32 YUKEN柱塞泵A145-L-R-01-K-S-K-32 YUKEN柱塞泵A145-L-R-04-B-S-K-32 YUKEN柱塞泵A145-L-R-04-C-S-K-32 YUKEN柱塞泵A145-L-R-04-H-S-K-32 YUKEN柱塞泵A145-L-R-04-K-S-K-32 YUKEN柱塞泵A145-FR01BS-60 |
相关新闻
丹尼逊叶片泵型号规格大全,DENISON叶片泵样本
2025-01-06 14:52:14
丹尼逊(DENISON)叶片泵拥有多种型号规格,以下是其主要系列及部分型号的详细介绍,同时也提供了一个简化的DENISON叶片泵样本概览: 一、丹尼逊叶片泵主要系列 T6系列叶片泵 T6C单联泵:排量范围从003(约...
A2F10 A2F12 A2F63 A2F125 A2F107 A2F225 力士乐柱塞泵,A2F系列柱塞泵
2024-11-03 09:44:07
Rexroth 力士乐A2F系列描述: 固定位移的弯轴设计 与原装完全互换 用作静液压驱动器中的泵或电机,在开闭回路中使用 高性能旋转组,具有久经考验的球形控制区域,具有以下优势;自定心低圆周速度,高效率 尺寸: ...
挖机液压泵维修,卡特挖机液压泵的维修步骤
2025-02-05 10:20:42
挖机液压泵,特别是卡特挖机液压泵,是挖掘机的重要部件,其维修步骤通常包括以下几个关键环节: 一、故障排查 检查液压油: 确保液压油没有泄漏,油箱内油面高度适中,不低于最低油标线。 检查油液是否清洁,避免灰尘、沙粒等杂...
![【bv1946官方网站下载地址
】液压元件[液压油泵,电磁阀]一站式服务平台](upload/20210127173032768281.png)




