最新动态
- 01派克pgp517b052双联齿轮泵,力士乐变量柱塞泵a10vso28dfr1/31r-vpa12n00
- 02YUKEN油研电磁阀dsg-01-3c3-d24-n1-50价格,型号说明
- 03挖机液压泵维修,卡特挖机液压泵的维修步骤
- 04REXROTH力士乐AZPF,AZPB,AZPN系列齿轮泵性能参数及特征
- 05PARKER派克轴向柱塞泵PV028R1K1T1N-MMC价格,性能参数及使用说明
- 06日本东京计器柱塞泵P16V,P21V,P100V,P70V系列型号大全,性能参数
- 07台湾油昇yeoshe柱塞泵型号大全,特征及应用
- 08VIVOIL齿轮泵,VIVOIL液压齿轮泵/马达型号大全,特征及应用说明
- 09A3H泵有哪些型号? YUKEN油研A3H系列高压变量柱塞泵有哪些优势

行业新闻
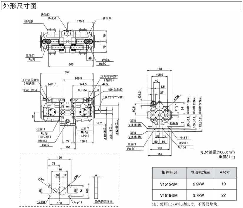
V1515 A ※※ R -95,V1515系列双连泵尺寸图
发布时间:2022-12-01 10:19:52 浏览次数:1176大金V1515系列双连泵型号说明:

大金V1515系列双连泵尺寸图:
相关新闻
威格士柱塞泵顶部上的螺丝孔是什么作用?威格土柱塞泵溢流阀怎么调
2025-01-06 14:29:10
关于威格士柱塞泵顶部上的螺丝孔,其作用可能是作为压力补油口(加油孔),用于补充缸体内缺失的液压油,并维持相对稳定的油压,以保证柱塞泵的正常工作。当泵体缺少油液时,油泵的吸油口将无法形成负压,导致泵“吸空”,从而无法达到液...
丹尼逊叶片泵型号规格大全,DENISON叶片泵样本
2025-01-06 14:52:14
丹尼逊(DENISON)叶片泵拥有多种型号规格,以下是其主要系列及部分型号的详细介绍,同时也提供了一个简化的DENISON叶片泵样本概览: 一、丹尼逊叶片泵主要系列 T6系列叶片泵 T6C单联泵:排量范围从003(约...
A2F10 A2F12 A2F63 A2F125 A2F107 A2F225 力士乐柱塞泵,A2F系列柱塞泵
2024-11-03 09:44:07
Rexroth 力士乐A2F系列描述: 固定位移的弯轴设计 与原装完全互换 用作静液压驱动器中的泵或电机,在开闭回路中使用 高性能旋转组,具有久经考验的球形控制区域,具有以下优势;自定心低圆周速度,高效率 尺寸: ...
![【bv1946官方网站下载地址
】液压元件[液压油泵,电磁阀]一站式服务平台](http://www.longbaobei.com/www/upload/20210127173032768281.png)




