最新动态
- 01福伊特VOITH齿轮泵的IPVP系列有哪些型号,voith福伊特官网
- 02福伊特(VOITH)齿轮泵型号大全,产品特点,应用领域,技术优势
- 03住友QT系列齿轮泵型号大全,SUMITOMO齿轮泵技术参数及选型
- 04日本Tokyo Keiki东京计器P16VM,P21VM系列产品特点及参数
- 05日本东京计器P**V系列变量柱塞泵的详细信息,日本tokimec
- 06VICKERS威格士CG5V插装阀,威格士CV系列压力阀特点及应用
- 07日本丰兴油压缸,马祖奇齿轮泵,丹佛斯柱塞泵,卡斯帕齿轮泵
- 08REXROTH柱塞泵a10vso18dfr1/31r-vpa12n00,力士乐A10VSO液压泵
- 09Parker派克齿轮泵p1075pb01slm5al00e000pbuu

行业新闻
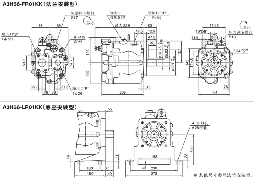
A3H37-FR01KK , A3H56-FR01KK日本油研A3H系列变量柱塞泵参数及安装尺寸
发布时间:2023-01-09 13:57:04 最后更新:2025-01-12 10:41:43
A3H37-FR01KK(法兰安装型):

A3H56-FR01KK(法兰安装型):

日本油研A3H系列变量柱塞泵特点:
●对应广泛用途的控制型式
为了对应广泛用途,具备有以下4种控制型式
●对应最高工作压力35MPa的高性能
A3H37型效率特性如下图所示,在效率方面性能突出。
●宽广的流量范围
A3H16~A3H180的7个规格中,包含有16.3~180.7cm3/rev范围内。
●紧凑体格
输出功率/质量之比值大,是非常紧凑的设计。
油研A3H系列变量柱塞泵规格:A3H16,A3H37,A3H56,A3H71,A3H100,A3H145,A3H180
油研A3H系列变量柱塞泵型号及参数:

★控制型式;可提供压力补偿控制型、恒功率(扭矩)控制型、负载敏感控制型及简易双压双流量控制型4种型式。

A3H56-FR01KK(法兰安装型):

日本油研A3H系列变量柱塞泵特点:
●对应广泛用途的控制型式
为了对应广泛用途,具备有以下4种控制型式
●对应最高工作压力35MPa的高性能
A3H37型效率特性如下图所示,在效率方面性能突出。
●宽广的流量范围
A3H16~A3H180的7个规格中,包含有16.3~180.7cm3/rev范围内。
●紧凑体格
输出功率/质量之比值大,是非常紧凑的设计。
油研A3H系列变量柱塞泵规格:A3H16,A3H37,A3H56,A3H71,A3H100,A3H145,A3H180
油研A3H系列变量柱塞泵型号及参数:

★控制型式;可提供压力补偿控制型、恒功率(扭矩)控制型、负载敏感控制型及简易双压双流量控制型4种型式。
| 油研A3H16-FR01KK-10高压变量柱塞泵 油研A3H16-LR01KK-10高压变量柱塞泵 油研A3H37-FR01KK-10高压变量柱塞泵 油研A3H37-LR01KK-10高压变量柱塞泵 油研A3H56-FR01KK-10高压变量柱塞泵 | 油研A3H56-LR01KK-10高压变量柱塞泵 油研A3H71-FR01KK-10高压变量柱塞泵 油研A3H71-LR01KK-10高压变量柱塞泵 油研A3H100-FR01KK-10高压变量柱塞泵 油研A3H100-LR01KK-10高压变量柱塞泵 | 油研A3H145-FR01KK-10高压变量柱塞泵 油研A3H145-LR01KK-10高压变量柱塞泵 油研A3H180-FR01KK-10高压变量柱塞泵 油研A3H180-LR01KK-10高压变量柱塞泵 |
相关新闻
威格士柱塞泵顶部上的螺丝孔是什么作用?威格土柱塞泵溢流阀怎么调
2025-01-06 14:29:10
关于威格士柱塞泵顶部上的螺丝孔,其作用可能是作为压力补油口(加油孔),用于补充缸体内缺失的液压油,并维持相对稳定的油压,以保证柱塞泵的正常工作。当泵体缺少油液时,油泵的吸油口将无法形成负压,导致泵“吸空”,从而无法达到液...
丹尼逊叶片泵型号规格大全,DENISON叶片泵样本
2025-01-06 14:52:14
丹尼逊(DENISON)叶片泵拥有多种型号规格,以下是其主要系列及部分型号的详细介绍,同时也提供了一个简化的DENISON叶片泵样本概览: 一、丹尼逊叶片泵主要系列 T6系列叶片泵 T6C单联泵:排量范围从003(约...
注塑机的液压泵有哪些品牌及相关型号?如何根据注塑机需求选择液压泵
2025-02-25 17:49:39
注塑机液压泵的知名品牌包括力士乐(Rexroth)、派克汉尼汾(Parker Hannifin)、油研(Yuken)、川崎重工(Kawasaki)、丹佛斯(Danfoss)、不二越(Nachi)等。每个品牌都有其主...
![【bv1946官方网站下载地址
】液压元件[液压油泵,电磁阀]一站式服务平台](http://www.longbaobei.com/www/upload/20210127173032768281.png)




