最新动态
- 01不二越双联叶片泵 VDR-11A / VDR-11B 技术解析
- 02日本不二越(NACHI)液压泵技术解析,VDR/VDC系列叶片泵
- 03注塑机的液压泵有哪些品牌及相关型号?如何根据注塑机需求选择液压泵
- 04卡特挖掘机液压泵综合分析,推荐几款卡特挖机的液压泵
- 05台湾油升YEOSHE V70A4R10X V70A3R10X 柱塞泵
- 06台湾油升YEOSHE V15 V18 V23 V38 V42 柱塞泵
- 07台湾油升YEOSHE柱塞泵产品特点、应用领域、选型注意事项
- 08迪普马 DS5-S3 电磁阀 详解?意大利迪普马电磁阀
- 09意大利DUPLOMATIC迪普马电磁阀选型手册与主要型号及特点介绍

公司新闻
油研液压泵A145-LR01HS-60, yuken变量柱塞泵A145系列
发布时间:2023-06-06 14:54:55 最后更新:2024-11-28 14:27:29 浏览次数:1241
“A”系列YUKEN油研变量柱塞泵
规格:A10 A16 A22 A37 A56 A70 A90 A145 A220
油研“A”系列变量柱塞泵——单泵、压力补偿器型 “A”系列变量柱塞泵——单泵、电磁阀双压力控制型 “A”系列变量柱塞泵——单泵、带卸载型压力补偿器A" 系列变量柱塞泵 – 单泵,比例电液负载传感型 “A” 系列变量柱塞泵 – 单泵,电液比例压力和流量控制 “A” 系列变量柱塞泵 – 单泵, “OBE” 型电液比例压力和流量控制型 “A” 系列变量柱塞泵 – 单泵,先导压力控制型压力补偿器 “A"系列变量柱塞泵-单泵、恒功率控制型在压力16MPa(2320PSI)、转速1800r/min条件下,容积效率达98%以上,总效率达90%以上。在“A16”泵,噪音水平低至 57.3 dB(A) [在完全切断压力 21 MPa (3050 PSI) 和速度 1500 r/min 水平距离泵头一米(3.3 英尺)覆盖。) 水平远离泵头盖。) 水平远离泵头盖。
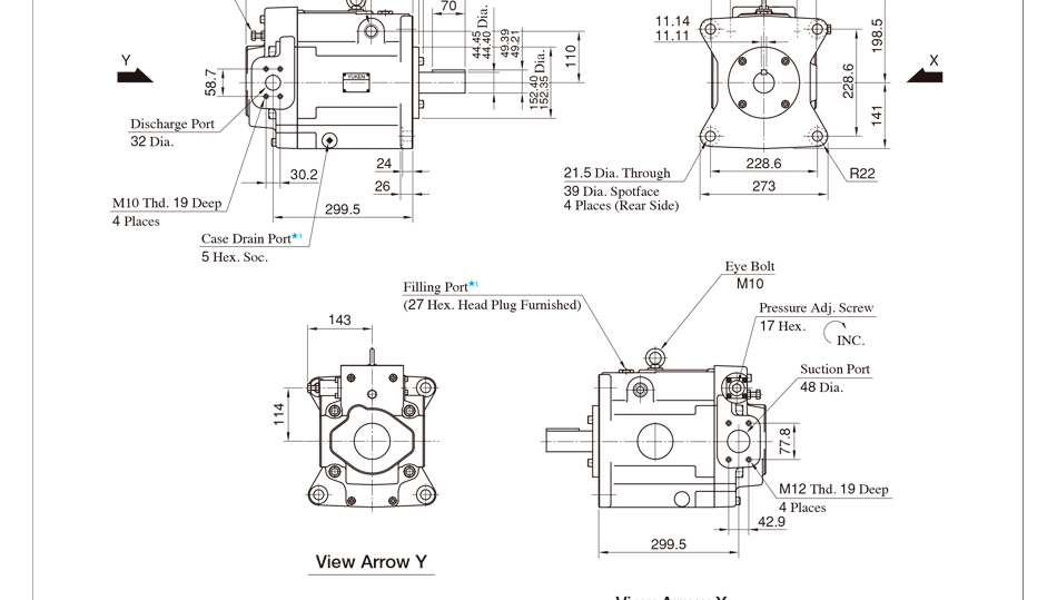
A145系列油研柱塞泵尺寸:

YUKEN油研A145系列柱塞泵型号:
规格:A10 A16 A22 A37 A56 A70 A90 A145 A220
油研“A”系列变量柱塞泵——单泵、压力补偿器型 “A”系列变量柱塞泵——单泵、电磁阀双压力控制型 “A”系列变量柱塞泵——单泵、带卸载型压力补偿器A" 系列变量柱塞泵 – 单泵,比例电液负载传感型 “A” 系列变量柱塞泵 – 单泵,电液比例压力和流量控制 “A” 系列变量柱塞泵 – 单泵, “OBE” 型电液比例压力和流量控制型 “A” 系列变量柱塞泵 – 单泵,先导压力控制型压力补偿器 “A"系列变量柱塞泵-单泵、恒功率控制型在压力16MPa(2320PSI)、转速1800r/min条件下,容积效率达98%以上,总效率达90%以上。在“A16”泵,噪音水平低至 57.3 dB(A) [在完全切断压力 21 MPa (3050 PSI) 和速度 1500 r/min 水平距离泵头一米(3.3 英尺)覆盖。) 水平远离泵头盖。) 水平远离泵头盖。
A145系列油研柱塞泵尺寸:

YUKEN油研A145系列柱塞泵型号:
| 油研柱塞泵A145-F-L-01-B-S-K-32 油研柱塞泵A145-F-L-01-C-S-K-32 油研柱塞泵A145-F-L-01-H-S-K-32 油研柱塞泵A145-F-L-01-K-S-K-32 油研柱塞泵A145-F-L-04-B-S-K-32 油研柱塞泵A145-F-L-04-C-S-K-32 油研柱塞泵A145-F-L-04-H-S-K-32 油研柱塞泵A145-F-L-04-K-S-K-32 油研柱塞泵A145-F-R-01-B-S-K-32 油研柱塞泵A145-F-R-01-C-S-K-32 油研柱塞泵A145-F-R-01-H-S-K-32 | 油研柱塞泵A145-F-R-01-K-S-K-32 油研柱塞泵A145-F-R-04-B-S-K-32 油研柱塞泵A145-F-R-04-C-S-K-32 油研柱塞泵A145-F-R-04-H-S-K-32 油研柱塞泵A145-F-R-04-K-S-K-32 油研柱塞泵A145-L-L-01-B-S-K-32 油研柱塞泵A145-L-L-01-C-S-K-32 油研柱塞泵A145-L-L-01-H-S-K-32 油研柱塞泵A145-L-L-01-K-S-K-32 油研柱塞泵A145-L-L-04-B-S-K-32 油研柱塞泵A145-L-L-04-C-S-K-32 | YUKEN柱塞泵A145-L-L-04-H-S-K-32 YUKEN柱塞泵A145-L-L-04-K-S-K-32 YUKEN柱塞泵A145-L-R-01-B-S-K-32 YUKEN柱塞泵A145-L-R-01-C-S-K-32 YUKEN柱塞泵A145-L-R-01-H-S-K-32 YUKEN柱塞泵A145-L-R-01-K-S-K-32 YUKEN柱塞泵A145-L-R-04-B-S-K-32 YUKEN柱塞泵A145-L-R-04-C-S-K-32 YUKEN柱塞泵A145-L-R-04-H-S-K-32 YUKEN柱塞泵A145-L-R-04-K-S-K-32 YUKEN柱塞泵A145-FR01BS-60 |
相关新闻
东京计器叶片泵型号如何看排量
2025-01-13 10:36:42
东京计器(TOKYO KEIKI,原名东机美TOKIMEC)叶片泵的型号众多,且排量信息并非总是直接体现在型号名称中。不过,通过观察和理解型号的一些特点,以及参考相关的产品资料,仍然可以对排量有一定的了解。以下是一些关于...
YUKEN油研PV2R33系列有哪些型号以及应用
2025-01-15 15:06:34
YUKEN油研PV2R33系列叶片泵是一款高性能、高可靠性的液压元件,广泛应用于各种工业领域。以下是关于YUKEN油研PV2R33系列叶片泵的型号及应用的一些信息: 一、油研PV2R33系列双联叶片泵型号 YUKEN...
丹尼逊叶片泵型号规格大全,DENISON叶片泵样本
2025-01-06 14:52:14
丹尼逊(DENISON)叶片泵拥有多种型号规格,以下是其主要系列及部分型号的详细介绍,同时也提供了一个简化的DENISON叶片泵样本概览: 一、丹尼逊叶片泵主要系列 T6系列叶片泵 T6C单联泵:排量范围从003(约...
![【bv1946官方网站下载地址
】液压元件[液压油泵,电磁阀]一站式服务平台](http://www.longbaobei.com/www/upload/20210127173032768281.png)




