最新动态
- 01不二越双联叶片泵 VDR-11A / VDR-11B 技术解析
- 02日本不二越(NACHI)液压泵技术解析,VDR/VDC系列叶片泵
- 03注塑机的液压泵有哪些品牌及相关型号?如何根据注塑机需求选择液压泵
- 04卡特挖掘机液压泵综合分析,推荐几款卡特挖机的液压泵
- 05台湾油升YEOSHE V70A4R10X V70A3R10X 柱塞泵
- 06台湾油升YEOSHE V15 V18 V23 V38 V42 柱塞泵
- 07台湾油升YEOSHE柱塞泵产品特点、应用领域、选型注意事项
- 08迪普马 DS5-S3 电磁阀 详解?意大利迪普马电磁阀
- 09意大利DUPLOMATIC迪普马电磁阀选型手册与主要型号及特点介绍

行业新闻
V8A1RX-20大金柱塞泵参数说明及外形安装尺寸图
发布时间:2023-01-06 11:14:36 浏览次数:1643
V系列大金柱塞泵特点:
●低噪音
o每个系列中所有压力范围都实现了低噪音运转。
●高效率
O由于动力损失小,油的温升慢,这样可将油箱设计成很小。
●可靠性好
O高灵敏度,高稳定性,寿命长,增加了主机的可靠性。
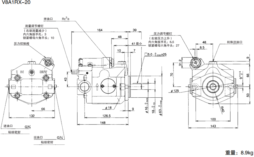
大金柱塞泵V8A1RX-20外形安装尺寸图:

V8A1RX-20大金柱塞泵 V8A1RX-20 柱塞泵 Daikin。该系列实现了整个压力范围内的低噪音运行。可降低流体温升
Daikin V 系列液压柱塞泵 V8A1RX-20 | eBay V8A1RX-20 大金 V 系列液压柱塞泵。8.0cm 3/rev(每分钟 14 升)。
V8A1RX-20 Daikin 柱塞泵 – Pollard CNC Spares Ltd 型号:V8A1RX-20。条件:新产品。排量:8.0cm3/rev. 控制方式:压力补偿器控制。压力调节范围
大金柱塞泵V8A1RX-20参数:
型号: V8A1RX-20
适用流体代号 无名称:石油基液压油
W:水-乙二醇液压油
F:磷酸酯液压油
泵容量 8:8.0 cm3/转
15:14.8 cm3/转
23:23.0 cm3/转
38:37.7 cm3/转
50:51.6 cm3/转
70:69.8 cm3/转
控制方法一 A:压力补偿控制
C:组合控制
D:双压控制
SA:功率匹配控制
旋转方向,从轴端看 R:顺时针(向右)
L:逆时针(向左)
配管方向
无指定:轴向油口
X:侧油口
设计编号(设计编号可能会更改)*1 20:水泵型号 V8、V50
95:水泵型号 V15、V38
30:水泵型号 V23
<当控制方式 I 为 A、CH 或 SA 时>
35:水泵型号 V23
<当控制方式 I 为 CJ 或 D 时>
60:水泵型号 V70
控制方法三 无指定:不带遥控系统
RC:带遥控系统
●低噪音
o每个系列中所有压力范围都实现了低噪音运转。
●高效率
O由于动力损失小,油的温升慢,这样可将油箱设计成很小。
●可靠性好
O高灵敏度,高稳定性,寿命长,增加了主机的可靠性。
大金柱塞泵V8A1RX-20外形安装尺寸图:

V8A1RX-20大金柱塞泵 V8A1RX-20 柱塞泵 Daikin。该系列实现了整个压力范围内的低噪音运行。可降低流体温升
Daikin V 系列液压柱塞泵 V8A1RX-20 | eBay V8A1RX-20 大金 V 系列液压柱塞泵。8.0cm 3/rev(每分钟 14 升)。
V8A1RX-20 Daikin 柱塞泵 – Pollard CNC Spares Ltd 型号:V8A1RX-20。条件:新产品。排量:8.0cm3/rev. 控制方式:压力补偿器控制。压力调节范围
大金柱塞泵V8A1RX-20参数:
型号: V8A1RX-20
适用流体代号 无名称:石油基液压油
W:水-乙二醇液压油
F:磷酸酯液压油
泵容量 8:8.0 cm3/转
15:14.8 cm3/转
23:23.0 cm3/转
38:37.7 cm3/转
50:51.6 cm3/转
70:69.8 cm3/转
控制方法一 A:压力补偿控制
C:组合控制
D:双压控制
SA:功率匹配控制
旋转方向,从轴端看 R:顺时针(向右)
L:逆时针(向左)
配管方向
无指定:轴向油口
X:侧油口
设计编号(设计编号可能会更改)*1 20:水泵型号 V8、V50
95:水泵型号 V15、V38
30:水泵型号 V23
<当控制方式 I 为 A、CH 或 SA 时>
35:水泵型号 V23
<当控制方式 I 为 CJ 或 D 时>
60:水泵型号 V70
控制方法三 无指定:不带遥控系统
RC:带遥控系统
相关新闻
选择柱塞泵?请认准美国派克pv016柱塞泵!
2025-01-13 14:01:42
派克柱塞泵型号PV016,PV020,PV080,PV032,PV046,PV092,PV0140,PV180,PV270 ,等系列型号 美国派克PV016柱塞泵是一款高性能的柱塞泵,以下是对其的详细介绍...
东京计器中国有限公司,东京计器叶片泵型号如何看排量
2025-01-13 10:33:09
东京计器(原名东机美)叶片泵的型号众多,包括V10、V20、SQP(S)1、SQP(S)2 、SQP(S)3、SQP(S)4等系列,以及相应的双联和三联泵型号。对于东京计器叶片泵的型号,其排量通常不是直接通...
威格士VICKERS叶片泵常用型号,价格,性能参数
2025-01-13 14:38:03
威格士VICKERS叶片泵在市场上拥有多种常用型号,其价格、性能参数因型号而异。以下是对威格士VICKERS叶片泵常用型号、大致价格范围及性能参数的归纳: 常用型号 V10系列:如V10F-1S2T-1C-2G-20...
![【bv1946官方网站下载地址
】液压元件[液压油泵,电磁阀]一站式服务平台](http://www.longbaobei.com/www/upload/20210127173032768281.png)




