最新动态
- 01不二越双联叶片泵 VDR-11A / VDR-11B 技术解析
- 02日本不二越(NACHI)液压泵技术解析,VDR/VDC系列叶片泵
- 03注塑机的液压泵有哪些品牌及相关型号?如何根据注塑机需求选择液压泵
- 04卡特挖掘机液压泵综合分析,推荐几款卡特挖机的液压泵
- 05台湾油升YEOSHE V70A4R10X V70A3R10X 柱塞泵
- 06台湾油升YEOSHE V15 V18 V23 V38 V42 柱塞泵
- 07台湾油升YEOSHE柱塞泵产品特点、应用领域、选型注意事项
- 08迪普马 DS5-S3 电磁阀 详解?意大利迪普马电磁阀
- 09意大利DUPLOMATIC迪普马电磁阀选型手册与主要型号及特点介绍

行业新闻
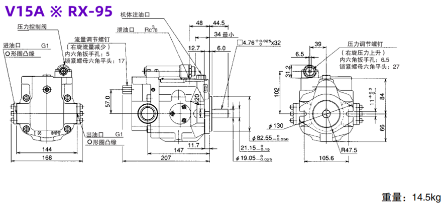
大金柱塞泵V15A ※ RX-95 ,V15A ※ R-95工作原理及外形尺寸图
发布时间:2023-01-06 13:58:31 浏览次数:985大金柱塞泵V15A ※ RX-95外形尺寸图:

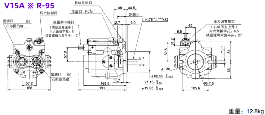
大金柱塞泵V15A ※ R-95外形尺寸图:

DAIKIN大金变量型柱塞泵工作原理:
. 通过电机、发动机等来驱动轴转动,在液压泵转动的缸体与滑靴之间会产生间隙,此间隙随着斜盘的旋转会产生滑动变化。而缸体内的柱塞被斜盘推压进行往复运动。该往复运动会使柱塞腔的容积产生变化,进行吸油与排油等动作。
. 柱塞从下止点到上止点间一直作吸油运动时,工质油从终端顶盖进入并通过滑靴的端口吸入到缸体内,吸油量与柱塞行程成正比。
另外柱塞从上止点到下止点的行程中,工质油被全部强制通过滑靴的端口,最终从顶盖的出油口被排出。
. 液压泵的动作为缸体每旋转一圈进行一次吸油、排油的过程,通过主轴旋转驱动可以作连续吸油与排油动作。

大金柱塞泵V15A ※ R-95外形尺寸图:

DAIKIN大金变量型柱塞泵工作原理:
. 通过电机、发动机等来驱动轴转动,在液压泵转动的缸体与滑靴之间会产生间隙,此间隙随着斜盘的旋转会产生滑动变化。而缸体内的柱塞被斜盘推压进行往复运动。该往复运动会使柱塞腔的容积产生变化,进行吸油与排油等动作。
. 柱塞从下止点到上止点间一直作吸油运动时,工质油从终端顶盖进入并通过滑靴的端口吸入到缸体内,吸油量与柱塞行程成正比。
另外柱塞从上止点到下止点的行程中,工质油被全部强制通过滑靴的端口,最终从顶盖的出油口被排出。
. 液压泵的动作为缸体每旋转一圈进行一次吸油、排油的过程,通过主轴旋转驱动可以作连续吸油与排油动作。
相关新闻
VICKERS威格士变量泵
2025-01-12 14:41:36
VICKERS威格士变量泵是一种排量可变的泵,广泛应用于冶金、矿山、工程机械、船舶、民航地面设备等液压传动领域。以下是对VICKERS威格士变量泵的详细介绍: 一、品牌背景 VICKERS(威格士)是伊顿集团流体动力部...
VICKERS威格士双联叶片泵的优缺点是什么以及型号大全
2025-01-13 14:33:09
VICKERS威格士双联叶片泵具有一系列显著的优点,同时也存在一些可能的缺点。以下是对其优缺点的详细分析,并附上部分型号信息。 优点 高性能与稳定性: VICKERS威格士双联叶片泵采用先进的子母叶片结构设计,减少了...
伊顿威格士柱塞泵的型号有哪些,VICKERS液压油泵
2025-01-13 11:12:53
伊顿威格士柱塞泵的型号众多,以下是一些常见的型号及其系列: 一、PVXS系列 PVXS系列是伊顿威格士的一种变量柱塞泵,具有高性能和可靠性。常见型号包括: PVXS-066-M-R-DF-0000-000 P...
![【bv1946官方网站下载地址
】液压元件[液压油泵,电磁阀]一站式服务平台](http://www.longbaobei.com/www/upload/20210127173032768281.png)




