推荐新闻

行业新闻
A3H37-FR01KK , A3H56-FR01KK日本油研A3H系列变量柱塞泵参数及安装尺寸
2023-01-09 13:57:04
A3H37-FR01KK(法兰安装型): A3H56-FR01KK(法兰安装型): 日本油研A3H系列变量柱塞泵特点: ●对应广泛用途的控制型式 为了对应广泛用途,具备有以下...
A3H16-FR01KK(法兰安装型)变量柱塞泵安装尺寸图-油研A3H系列变量柱塞泵
2023-01-09 13:44:46
油研A3H系列变量柱塞泵特点: ●对应广泛用途的控制型式 为了对应广泛用途,具备有以下4种控制型式 ●对应最高工作压力35MPa的高性能 A3H37型效率特性如下图所示,在效率方面性能突出。 ●宽广的流量范围 ...
PFED-32系列油研PFED系列柱销式双联叶片泵
2023-01-07 11:48:57
PFED-32系列油研PFED系列柱销式双联叶片泵 PFED-32系列双联叶片泵型号: PFED-3121016/005...
PFED-32,PFED-42,PFED-43,PFED-52,PFED-53,PFED-54系列油研PFED系列柱销式双联叶片泵
2023-01-07 11:35:40
PFED-32,PFED-42,PFED-43,PFED-52,PFED-53,PFED-54系列油研PFED系列柱销式双联叶片泵 ■油研PFED系列柱销式双联叶片泵简介: PFE系列高性能叶...
VZ50,VZ63,VZ80,VZ100,VZ130系列大金[DAIKIN]柱塞泵技术规格及型号说明
2023-01-06 14:05:07
VZ50,VZ63,VZ80,VZ100,VZ130系列大金[DAIKIN]柱塞泵 VZ系列大金柱塞泵特点: ●高密度介质排出 因采用了支撑斜盘,实现了小型轻量化、高压化,从而提高了单位重量的输出功率。 ●低工作...
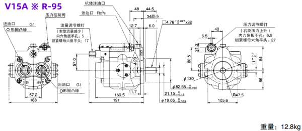
大金柱塞泵V15A ※ RX-95 ,V15A ※ R-95工作原理及外形尺寸图
2023-01-06 13:58:31
大金柱塞泵V15A ※ RX-95外形尺寸图: 大金柱塞泵V15A ※ R-95外形尺寸图: DAIKIN大金变量型柱塞泵工作原理: . 通过电机、发动机等来驱动轴转动,在液压泵转动的缸体与滑...
![【bv1946官方网站下载地址
】液压元件[液压油泵,电磁阀]一站式服务平台](http://www.longbaobei.com/www/upload/20210127173032768281.png)





![VZ50,VZ63,VZ80,VZ100,VZ130系列大金[DAIKIN]柱塞泵技术规格及型号说明](http://www.longbaobei.com/www/upload/20230106141631830086.jpg)

